ITK Wave Viewer (winPrint.js)

地震波形を表示させるためのJavaScriptです。用途に応じて、同一のJavaScriptをいろいろなモードで起動して使用できます。

アプリモード

アプリケーションソフトのように、設定と地震波形ファイルを指定して表示するモードです。Webブラウザ上で動作するので、手元のコンピュータに特定のバイナリファイルをインストールすることなくお手元にある地震波形データを表示できます。win系と拡張子が特定されているものは自動判別します。基本は必要事項をユーザが指定して使用しますが、hidden属性フォームで特定のフォーマット指定で起動することもできます。


使用例

winデータファイルをとりあえず表示するためだけに訪れた方には、ここより下は関係ありません

関震協用

対象データを震災予防協会フォーマットに設定して起動します。

強震WIN32用

強震WIN32データ設定として起動します(自動判別対象なので本来必要ありません)。K-NETおよびKiK-netのバイナリデータに対して使用します。

建研AC用

対象データを建築研究所強震記録ファイルに設定して起動します(自動判別対象なので本来必要ありません)。実装予定。

aLab用

対象データをaLab独自RAW、イベントファイルに設定して起動します。作業途中でしたが、中止要請。

色指定オプション付き

フォームに記述することにより、表示の色指定を操作出来ます(通常はhidden属性で隠して指定します)。色指定は、全モードで使用できます。

ITKモード

IT強震計の旧来の波形表示Javaアプレット(winPrintI.class)の機能を代替するためのモードです(使用例)。基本的にCGIから呼び出すように実装して使用します(実装例)。元々は、このモードのためにコードを書き始めました。新しいITKにはWINシステム汎用で使えることを念頭にリアルタイムモード含めCGIの実装を開発始めており、winだけでなくaLab RAW記録にも対応したCGIが既に作られていますが、aries等で使用することはないとのことです。

WINモード

IT強震計同様の表示を通常のWINシステムで構築されたサーバで実現するためのモードです。基本的にCGIから呼び出すように実装して使用します。ITKモードとは設定ファイルが違うというだけでモードを分けるほどではなかったため、将来的にはITKモードに統合します。winの連続データの格納ルールのバリエーションを調べたら、それらに対応した呼び出しCGIを整備予定(その時点でITKモードと統合)。

リアルタイムモード

IT強震計の旧来のリアルタイム波形表示Javaアプレット(winPrintR.class)の機能を代替するためのモードです(使用例)。Web上でwinのリアルタイム波形表示が可能になります。基本的にCGIから呼び出すように実装して使用します(実装例)。再描画間隔に対応した時間長のファイルが作れるフォーマットでないと意味が無いので、現実的にはwin専用です(WIN32も可能なはず)。Mini-SEEDを読込可能になれば、変則的(4096Bレコードではなく512Bレコードのファイル)に対応可能でしょう。通常のwinシステム組み込むためのプログラムを作成しているので、既存のシステムで容易に使用することも可能です。表示が停止して動かなくなったときは、ブラウザのキャッシュを消去すると動き出します(データ収集の方が止まっていない限り)。

設定強制(aries救済)モード

ariesの波形表示の能力不足(回収した波形を表示するためのプログラムはあるがWindows専用)を補うためのモードです。もともとの設定の都合で、ITKなどでも使用できます。表示するデータファイルは、ユーザが指定します(あらかじめローカルに取得しておく必要があります)。過去のIT強震計っぽいシステムの大半は既に稼働を終わり表示を呼び出せなくなっていると思いますが、データファイルがコピーしてあれば表示できるように、それぞれのシステム用のページを以下に提供します。

勅使川原先生、楠先生つながりでaLabまたはセントラルが構築したシステム

関震協つながりのシステム

DISANET関係でaLabが構築したシステム

鷹野先生のaLab製品使用システム

その他のaLabまたはセントラル製ITKシステム

その他のaLab製システム

OYOSI ITK-Sensor(MODEL-2442)系列建物IT強震計システム

OYOSI ISR(IT強震計試作機互換)系列システム

RAWモード

必要事項(換算定数、単位、チャネル名、センサ名、…)をhtml内に全て書き込んでおいて表示させるモードです。設定ファイルの無い波形データをhtml内で表示するために使用します。未実装。

このJavaScriptについて

 winシステムをJavaScriptで扱うためのライブラリを有志で開発する…予定の試作品です。今のところITK仕様のwinフォーマット優先です。IT強震計用のJavaアプレットを代替する目的で作成開始されました。(鷹野先生から技術提供されて)aLabから販売されていたITKでは可能であれば置き換えを進めます。

読込対応フォーマットと仕様入手先

ファイルフォーマット仕様入手先備考
ITK仕様win最初はこれ専用だった…
win (RAW型式)http://wwweic.eri.u-tokyo.ac.jp/cgi-bin/show_man?winformat自動判別、これが基本
WIN32https://hinetwww11.bosai.go.jp/auth/manual/?LANG=ja内のリンク自動判別
強震WIN32(K-NETバイナリ)http://www.kyoshin.bosai.go.jp/kyoshin/man/knetbinary.html自動判別
aLab RAW原則非公開(説明書により記述に違いがある)設定(ini)ファイルが必要
SD用1時間ファイルにも対応
楠さんの必要に迫られ
aLabイベント原則非公開(ariesサーバ説明書)設定(ini)ファイルが必要
東測WIN32 (*.t3w)CV-374ARi取扱説明書(鷹野先生がaLabに提供)拡張子により判別
白山A5A5_win ユーザーズマニュアル(大久保君から入手)自動判別不能
大久保さんが希望
建築研究所AChttp://smo.kenken.go.jp/ja/smn/acfile拡張子により判別
楠さんが協力
震災予防協会関震協作成DVD-ROMに収録(赤澤さんからファイル入手)自動判別不能
赤澤さんが協力
aLab(ITK)テキストITKステーションの説明書等拡張子により判別

把握しているフォーマットと仕様入手先・読込対応予定

ファイルフォーマット仕様入手先対応予定備考
SEISNhttp://seis.geus.net/software/seisan/node237.html対応したい自動判別不能?
winテキスト型式http://wwweic.eri.u-tokyo.ac.jp/cgi-bin/show_man?shmdump対応予定自動判別不能
IRIS DMCのTSPAIR型式http://ds.iris.edu/ds/nodes/dmc/data/formats/simple-ascii/対応予定自動判別不能
SAChttp://ds.iris.edu/files/sac-manual/manual/file_format.html希望された熊谷さんから資料いただき対応開始
SEEDhttp://www.fdsn.org/seed_manual/SEEDManual_V2.4.pdf協力者がいれば対応可能
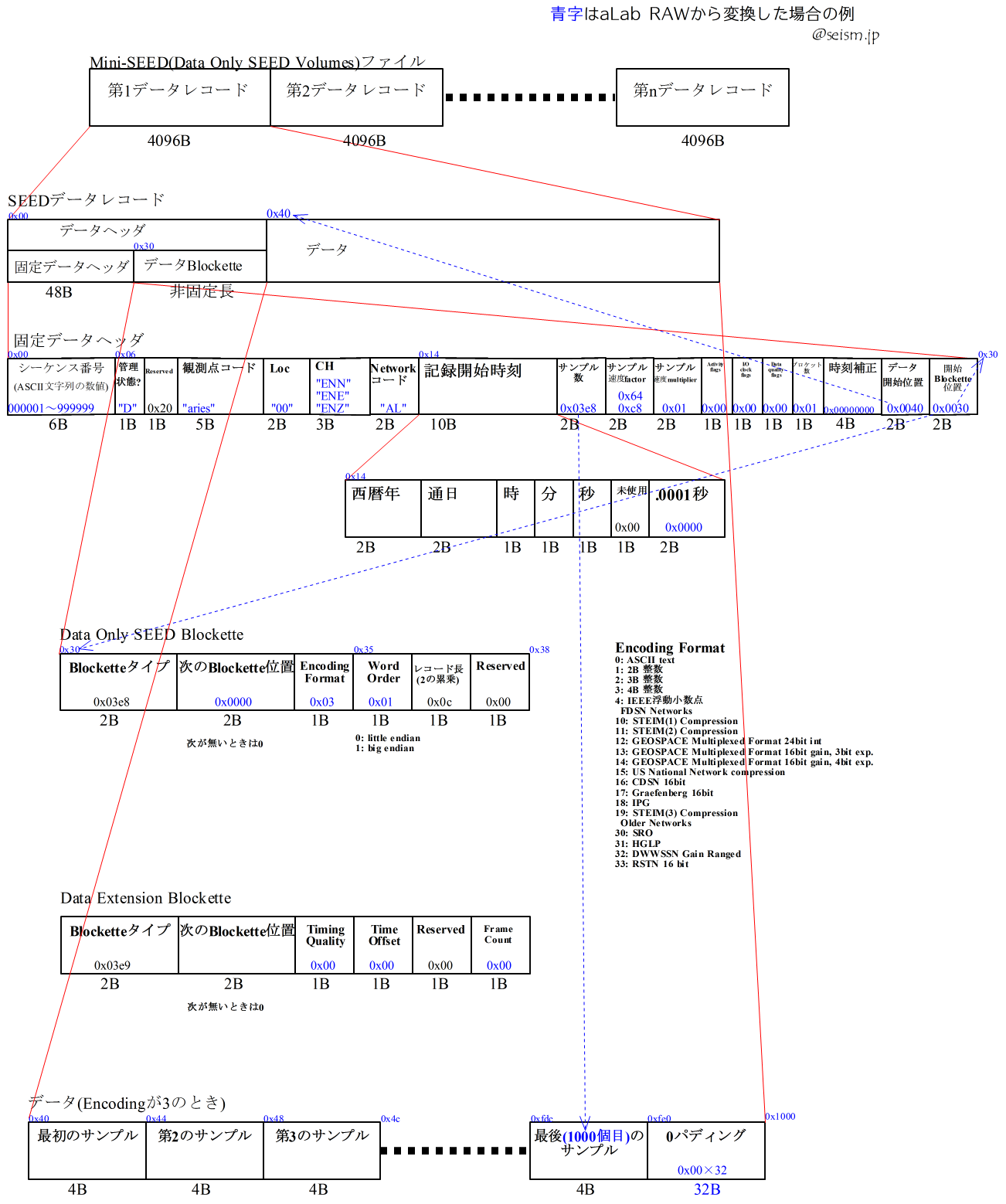
miniSEED「ウダウダ言わずlibmseedを使え!!」的なことが書かれているが、SEEDのマニュアルのAppendix GがMini-SEEDの仕様書になっている対応始めたが。aLabからの停止指示のため中断中だいたい分かったけど、compress全型式対応は大変そう
K-NETテキストhttp://www.kyoshin.bosai.go.jp/kyoshin/man/knetform.html対応可能今さら必要か?
気象庁CSV?希望があれば検討拡張子予約(*.csv)
USGS NSMPhttps://escweb.wr.usgs.gov/nsmp-data/smcfmt.html希望があれば検討拡張子予約(*.smc)
CGS CSMIPhttps://strongmotioncenter.org/NCESMD/reports/DMGformat85.pdf希望があれば検討拡張子予約(*.raw, *.v2)
COSMOShttps://strongmotioncenter.org/NCESMD/reports/cosmos_format_1_20.pdf希望があれば検討拡張子予約(*.v1c, *.v2c)
UCB PEER?希望があれば検討拡張子予約(*.at2)
GeoNet?希望があれば検討拡張子予約(*.v1a, *.v2a)
東京測振DBL?希望があれば検討拡張子予約(*.dbl)
aLab案件
Kinemetrics EVT?(非公開?)希望があれば検討拡張子予約(*.evt)
鷹野先生・aLab案件
ミツトヨSMAC-MD/MDU?希望があれば検討拡張子予約(*.md)
aLab案件

機能等追加予定

ライブラリ化の方針(ルール)確定後

既知のバグ

バグではなくて仕様です

開発

 サポート打ち切りがアナウンスされた(既に最新のJava11では使用できません)Javaアプレットによる表示の代替機能開発としてスタートし、(今のところ)個人で開発しています。ariesで使用することは拒否されたので、winに対応するのを最優先となりました。それに従い、有志を集めて開発するってことになったんですが、進んでいません。。機能等を決めるのに、関西大学の林能成さん、東京大学の楠浩一さん、高知大学の大久保慎人さん、地域地盤環境研究所の赤澤隆士さん、桜美林大学の根本泰雄さんに協力いただいています。あと、学会の時に来た方から希望をうかがいました。協力して下さる方がいれば、直接または協力者を通じてお申し出下さい。

※IT強震計研究会の発表関連資料は、IT強震計研究会のサイトからダウンロードして下さい

先行研究

参考文献

使用について

 ライブラリ化の方針が確定しコードを整理し直すまでは、改変・再配布はご遠慮ください。html内のscriptタグのsrc属性に指定して外部ファイルとして当サイト(またはaLab提供のITKステーション、ITKサーバに搭載)のwinPrint.jsを指定する場合は、現時点でも自由に使用していただいて構いません。ただし、この場合はインターネット接続が必要になるため、オフライン使用ができません。オフライン使用するためには、winPrint.jsをダウンロードしてローカルに置いておく必要が生じますが、現時点では個人使用の場合に限りローカルサイトにコピーして運用いただいて構いません(バージョンアップの反映は自己責任)。
※私物のサーバ・PCでの運用は個人使用ですが、備品(消耗品含む)は個人使用から外れます。廃棄品を拾えば、それは私物です。
※協力者には当然ながら制限存在しません。
ariesライセンス所持者には、aLabと年間保守契約(相当)を結ばない限り使用させないようにいわれています。なので、ariesを使用していて保守契約していない方はこのJavaScriptを使用しないでください。鷹野先生仕様のITK系のシステムをaLabから購入している場合は、その保守・更新に使用することは可能です。
※このJavaScriptに関する問合せは、IT強震計研究会の定例会の時には受け付けます(次回未定)。または、震研の時のメールアドレスを知っている方は、@の後ろをこのサイトのドメインに置き換えて出せば届きます。


 以前このURLにあった、win波形表示用Javaアプレット(winPrint?.class)に関するページは、サーバ(PC-9821Xt13)のクラッシュにより失われました。Javaアプレットが時代遅れなので、作り直す予定はありません。aLabから販売されたITKに実装されていた旧アプレットが必要な場合には個別に対応しますのでaLabまで連絡ください。


 HTML5対応ブラウザで使用できます。Mozilla Firefox ESR 52.9.0(32ビット)(Javaが使用できる最後のバージョン)、Waterfox 56.2.5、Lunascape 6.15、Pale Moon 28.2、SeaMonkey 2.49、Google Chrome 71.0、Vivaldi 2.1、Opera 56.0、Safari 9.1.3、Safari 10.1.1、Safari 12.0、Internet Explorer 11.0.96、Konqueror 4.14.1(レンダリングエンジンはWebKit)、Chromium 60.0 (Raspbian版)、K-Meleon 75.1、midori 0.5.11、Sleipnir 6.2.7、iCab 5.8.3で動作確認しています。Chromeがいちばん速いようですが、長期間データで限界を超えやすいのもChromeです。表示可能期間はOSの種類と搭載メモリ量の影響を強く受けます。32bitOSではメモリ最大搭載でも3ch100spsで4時間程度が限界です。


地震情報(各地の震度) K-NET KiK-net Hi-net F-net 首都圏強震動総合ネットワーク 新ITKネットワーク(試作)

IT強震計 IT強震計研究会 IT強震計コンソーシアム